电动三偏心金属密封蝶阀系列是长寿命、节能型蝶阀,其结构采用三维偏心原理设计,阀座采用硬软密封兼容的多层次结构或者全金属密封结构,是一种能在较高温度和较高压力环境上使用的高性能蝶阀产品。
产品型号:D973H-16C
公称压力:≤1.6Mpa
适用介质:水、蒸汽、油品等
适用温度:≤425℃
可选电压:AC220V/AC380V/DC24V
电动三偏心金属密封蝶阀系列是长寿命、节能型蝶阀,其结构采用三维偏心原理设计,阀座采用硬软密封兼容的多层次结构或者全金属密封结构,是一种能在较高温度和较高压力环境上使用的高性能蝶阀产品。本产品被广泛应用于冶金、钢铁、电力、石油、化工、供热、空气、煤气、可燃气体、市政供水以及给排水等介质的管道上,作为截止或调节介质流量使用。
产品特性:
1.本阀采用三偏心密封结构,阀座与蝶板几乎无磨损,具有越关越紧的密封功能。
2.密封圈选用铸钢或不锈钢制作,具有金属硬密封和弹性密封的双重优点,无论在低温和高温的情况下,均具有优良的密封性能,具有耐腐蚀,使用寿命长等特点。
3.蝶板密封面采用堆焊硬质合金,密封面耐磨损,使用寿命长。
4.本阀具有双向密封功能,安装时不受介质流向的限制,也不受空间位置的影响,可在任何方向安装。
5.产品符合国家 GB/T13927-92 阀门压力试验标准。
D973H-16C电动硬密封蝶阀主要零件材料:

D973H-16C电动硬密封蝶阀主要性能参数:

D973H-16C电动硬密封蝶阀执行标准:

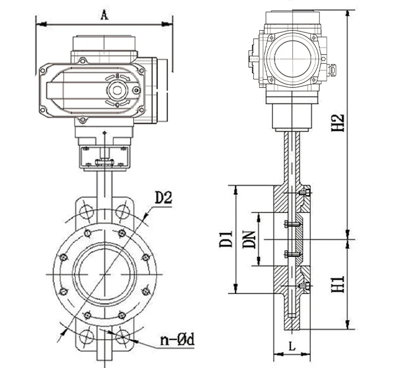
D973H-16C电动硬密封蝶阀结构图:

D973H-16C电动硬密封蝶阀主要外形连接尺寸:

业务咨询请留言,我们第一时间为您回复!
留言咨询(30秒急速提交)
等待回访(30分钟内快速回复)
免费定制(根据需求免费定制流程方案)
答:电动执行器接好线后电机不转的原因可能是以下几点:1.没有接上电源;2.电源电压不对或电压过低;3.断线、接头与端子脱落;4.过热保护器动作(环境温度是否过高,阀门是否卡死);5.行程开关已经动作;6.电机进相用电容损坏;7.直流电动执行器二极管断路。
答:电动执行器接控制箱开闭指示灯不亮的原因可能是以下两点:1.指示灯坏;2.行程开关动作不良。
答:电动执行器运行到极限位置时电机不能停转的原因可能是以下几点:1.行程开关动作不良;2.三相交流电源相序接反;3.行程开关接入控制回路错误;4.机械限位超前电气限位动作;5.直流电动执行器二级管断路。
答:电动执行器出现进水现象可能有以下几点原因:1.电装视镜破裂;2.电装上盖、进线盖、前盖等螺栓未紧固锁好;3.进线电缆不规范或进线口处未按说明书要求做好防水处理。
答:当电动执行器定位器报警错误代码E-01,主要原因是控制信号终端或者低于0.3mA。
答:当电动执行器定位器报警错误代码E-03,主要原因是定位器和执行器件的信号反馈或开闭线接反。
答:当电动执行器定位器报警错误代码E-05,主要原因是执行器震荡大,可能由于输入信号或反馈信号不稳定、精度太高等。
答:当电动执行器定位器报警错误代码E-06,主要原因是执行器往闭方向时堵转。
答:当电动执行器定位器报警错误代码E-07,主要原因是执行器往开方向时堵转。
答:当电动执行器定位器报警错误代码E-08,主要原因是定位器壳内温度超过70℃。