欢迎光临 卡斯托智能科技江阴有限公司 !

  • 扫码加微信

  • 17706168666
当前位置: 首页 > 产品中心 > 电动蝶阀

电动硬密封对夹蝶阀

电动三偏心金属密封蝶阀系列是长寿命、节能型蝶阀,其结构采用三维偏心原理设计,阀座采用硬软密封兼容的多层次结构或者全金属密封结构,是一种能在较高温度和较高压力环境上使用的高性能蝶阀产品。

  • 产品型号:D973H-16C

  • 公称压力:≤1.6Mpa

  • 适用介质:水、蒸汽、油品等

  • 适用温度:≤425℃

  • 可选电压:AC220V/AC380V/DC24V

产品介绍

电动三偏心金属密封蝶阀系列是长寿命、节能型蝶阀,其结构采用三维偏心原理设计,阀座采用硬软密封兼容的多层次结构或者全金属密封结构,是一种能在较高温度和较高压力环境上使用的高性能蝶阀产品。本产品被广泛应用于冶金、钢铁、电力、石油、化工、供热、空气、煤气、可燃气体、市政供水以及给排水等介质的管道上,作为截止或调节介质流量使用。

产品特性:

1.本阀采用三偏心密封结构,阀座与蝶板几乎无磨损,具有越关越紧的密封功能。

2.密封圈选用铸钢或不锈钢制作,具有金属硬密封和弹性密封的双重优点,无论在低温和高温的情况下,均具有优良的密封性能,具有耐腐蚀,使用寿命长等特点。

3.蝶板密封面采用堆焊硬质合金,密封面耐磨损,使用寿命长。

4.本阀具有双向密封功能,安装时不受介质流向的限制,也不受空间位置的影响,可在任何方向安装。

5.产品符合国家 GB/T13927-92 阀门压力试验标准。


技术参数

D973H-16C电动硬密封蝶阀主要零件材料:

D973H-16C电动硬密封蝶阀主要零件材料.webp

D973H-16C电动硬密封蝶阀主要性能参数:

D973H-16C电动硬密封蝶阀主要性能参数.webp

D973H-16C电动硬密封蝶阀执行标准:

D973H-16C电动硬密封蝶阀执行标准.webp

D973H-16C电动硬密封蝶阀结构图:

D973H-16C电动硬密封蝶阀结构图.webp

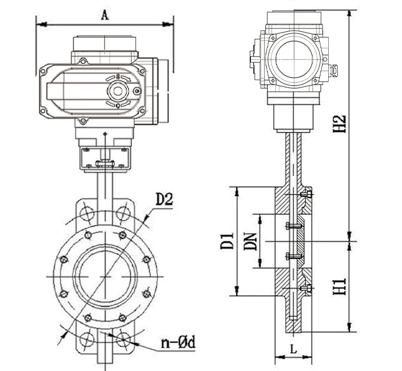
D973H-16C电动硬密封蝶阀主要外形连接尺寸:

D973H-16C电动硬密封蝶阀主要外形连接尺寸.webp

在线留言

业务咨询请留言,我们第一时间为您回复!

  • 1

    留言咨询(30秒急速提交)

  • 2

    等待回访(30分钟内快速回复)

  • 3

    免费定制(根据需求免费定制流程方案)