电动法兰蝶阀产品设计新颖、合理、结构简单、体积小、重量轻,90度回转启闭迅速,操作力矩小,操作方便,省力灵巧。可以任何位置安装、维修方便。密封件可以更换,密封性能可靠达到双向密封零泄漏,密封材料耐老化、耐腐蚀,使用寿命长等特点。
产品型号:D941X-16C
公称压力:≤1.6Mpa
适用介质:水、油品、污水、气等
适用温度:≤80℃
可选电压:AC220V/AC380V/DC24V
电动法兰蝶阀产品设计新颖、合理、结构简单、体积小、重量轻,90度回转启闭迅速,操作力矩小,操作方便,省力灵巧。可以任何位置安装、维修方便。密封件可以更换,密封性能可靠达到双向密封零泄漏,密封材料耐老化、耐腐蚀,使用寿命长等特点。电动法兰蝶阀具有较好的流量控制特性。不仅在石油、煤气、化工、水处理等一般工业上得到广泛应用,而且还应用于热电站的冷却水系统。
产品特点:
1.一种可远程控制的自动蝶阀,同时具备法兰蝶阀的特点,可配蝶阀口径较广。
2.电源是电动蝶阀的驱动能源,动力源广泛,适用范围广,节省人力资源,更有工作效率。
3.操作方便,容易满足各种控制要求,选配不同的电动执行器就可实现,信号反馈、调节流量、防爆等功能。
4.可实现超小型化,可实现机械自锁性,可更换不同密封圈,满足不同工况。
D941X-16C电动法兰蝶阀主要零件材料:

D941X-16C电动法兰蝶阀主要性能参数:

D941X-16C电动法兰蝶阀执行标准:

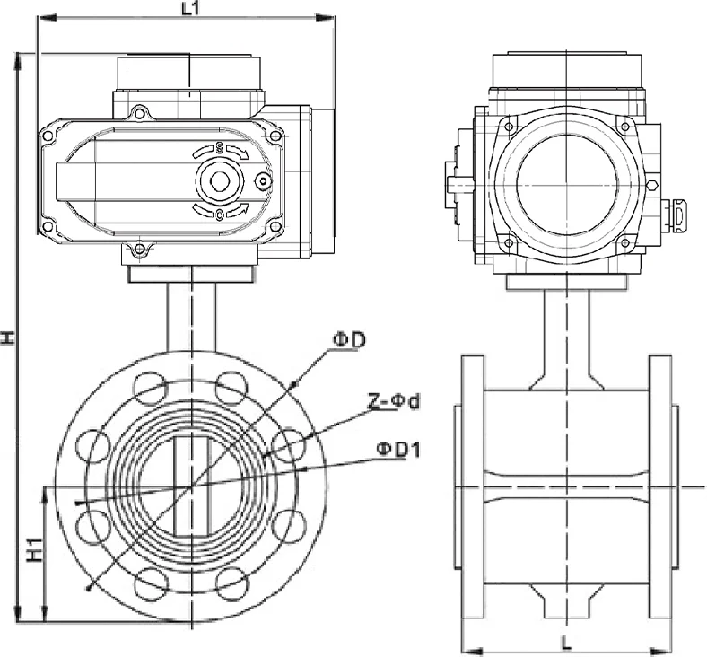
D941X-16C电动法兰蝶阀结构图:

D941X-16C电动法兰蝶阀主要外形连接尺寸:

业务咨询请留言,我们第一时间为您回复!
留言咨询(30秒急速提交)
等待回访(30分钟内快速回复)
免费定制(根据需求免费定制流程方案)
答:电动执行器接好线后电机不转的原因可能是以下几点:1.没有接上电源;2.电源电压不对或电压过低;3.断线、接头与端子脱落;4.过热保护器动作(环境温度是否过高,阀门是否卡死);5.行程开关已经动作;6.电机进相用电容损坏;7.直流电动执行器二极管断路。
答:电动执行器接控制箱开闭指示灯不亮的原因可能是以下两点:1.指示灯坏;2.行程开关动作不良。
答:电动执行器运行到极限位置时电机不能停转的原因可能是以下几点:1.行程开关动作不良;2.三相交流电源相序接反;3.行程开关接入控制回路错误;4.机械限位超前电气限位动作;5.直流电动执行器二级管断路。
答:电动执行器出现进水现象可能有以下几点原因:1.电装视镜破裂;2.电装上盖、进线盖、前盖等螺栓未紧固锁好;3.进线电缆不规范或进线口处未按说明书要求做好防水处理。
答:当电动执行器定位器报警错误代码E-01,主要原因是控制信号终端或者低于0.3mA。
答:当电动执行器定位器报警错误代码E-03,主要原因是定位器和执行器件的信号反馈或开闭线接反。
答:当电动执行器定位器报警错误代码E-05,主要原因是执行器震荡大,可能由于输入信号或反馈信号不稳定、精度太高等。
答:当电动执行器定位器报警错误代码E-06,主要原因是执行器往闭方向时堵转。
答:当电动执行器定位器报警错误代码E-07,主要原因是执行器往开方向时堵转。
答:当电动执行器定位器报警错误代码E-08,主要原因是定位器壳内温度超过70℃。