电动塑料蝶阀重量轻、耐腐蚀性强,占用空间小,端平面设计易于安装,并有手动扳手实现手动开关程度。电动PPH蝶阀被应用于多个领域,如一般纯水和生饮水的管路系统、排水和污水管路系统、盐水和海水管路系统、酸碱和化学溶液系统、食品工业、半导体工业等多个行业,品质得到广大用户的认可。
产品型号:D971X-10S
公称压力:≤1.0Mpa
适用介质:水、空气、油类、腐蚀性化学液体等
适用温度:≤90℃
可选电压:AC220V/AC380V/DC24V
电动塑料蝶阀重量轻、耐腐蚀性强,占用空间小,端平面设计易于安装,并有手动扳手实现手动开关程度。电动PPH蝶阀被应用于多个领域,如一般纯水和生饮水的管路系统、排水和污水管路系统、盐水和海水管路系统、酸碱和化学溶液系统、食品工业、半导体工业等多个行业,品质得到广大用户的认可。
使用范围及特点:
1、使用温度范围广:-10℃~90℃;
2、具有很好的强度和韧性;
3、具有优良的耐化学腐蚀性能;
4、阻燃性能为自熄性;
5、低热传导性能,为钢材的1/200;
6、介质中重离子含量达超纯水含量;
7、卫生指标符合国家卫生标准;
8、外型结构紧凑美观;
9、本体重量轻容易安装;
10、材质卫生无毒;
11、耐磨损、容易拆卸,维护简单易行;
12、适用流体:水、空气、油类、腐蚀性化学液体。
适用范围:
产品适用于水位控制,温度控制,广泛环保工程,水处理、农业灌溉、洗浴、暖通工程、中央空调、节水设备、IC卡水表、化工管路及食品机械和各种流体控制等工业和民用自动控制行业。
D971X-10S电动PPH对夹蝶阀主要零件材料:

D971X-10S电动PPH对夹蝶阀主要性能参数:

D971X-10S电动PPH对夹蝶阀执行标准:

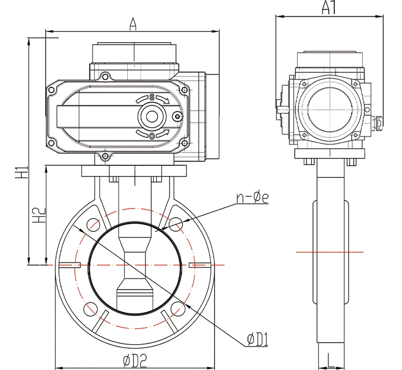
D971X-10S电动PPH对夹蝶阀结构图:

D971X-10S电动PPH对夹蝶阀主要外形连接尺寸:

业务咨询请留言,我们第一时间为您回复!
留言咨询(30秒急速提交)
等待回访(30分钟内快速回复)
免费定制(根据需求免费定制流程方案)
答:电动执行器接好线后电机不转的原因可能是以下几点:1.没有接上电源;2.电源电压不对或电压过低;3.断线、接头与端子脱落;4.过热保护器动作(环境温度是否过高,阀门是否卡死);5.行程开关已经动作;6.电机进相用电容损坏;7.直流电动执行器二极管断路。
答:电动执行器接控制箱开闭指示灯不亮的原因可能是以下两点:1.指示灯坏;2.行程开关动作不良。
答:电动执行器运行到极限位置时电机不能停转的原因可能是以下几点:1.行程开关动作不良;2.三相交流电源相序接反;3.行程开关接入控制回路错误;4.机械限位超前电气限位动作;5.直流电动执行器二级管断路。
答:电动执行器出现进水现象可能有以下几点原因:1.电装视镜破裂;2.电装上盖、进线盖、前盖等螺栓未紧固锁好;3.进线电缆不规范或进线口处未按说明书要求做好防水处理。
答:当电动执行器定位器报警错误代码E-01,主要原因是控制信号终端或者低于0.3mA。
答:当电动执行器定位器报警错误代码E-03,主要原因是定位器和执行器件的信号反馈或开闭线接反。
答:当电动执行器定位器报警错误代码E-05,主要原因是执行器震荡大,可能由于输入信号或反馈信号不稳定、精度太高等。
答:当电动执行器定位器报警错误代码E-06,主要原因是执行器往闭方向时堵转。
答:当电动执行器定位器报警错误代码E-07,主要原因是执行器往开方向时堵转。
答:当电动执行器定位器报警错误代码E-08,主要原因是定位器壳内温度超过70℃。