电动UPVC双由令球阀采用丝口或粘胶承插连接,不须使用特殊工具即可快速装配。具有结构紧凑、耐磨损、容易拆卸、方便检修、维护简单易行等优点。
产品型号:Q911F-10S
公称压力:≤1.0Mpa
适用介质:水、空气、油品等
适用温度:≤60℃
可选电压:AC220V/AC380V/DC24V
电动UPVC双由令球阀采用丝口或粘胶承插连接,不须使用特殊工具即可快速装配。具有结构紧凑、耐磨损、容易拆卸、方便检修、维护简单易行等优点。阀体材质卫生环保、耐腐蚀性强、重量轻、应用范围广。例如:纯水和生饮水的管路系统、排水和污水管路系统、盐水和海水管路系统、酸碱和化学溶液系统等多个行业,品质得到广大用户的认可。
性能特点:
1.压力落差小、流体直线通过。
2.快速开关90°,保养费用低,密封性佳。
3.耐温度特性优异,运用范围广,可普及工业及民生用管。
4.可耐高温(0~60℃)之流体输送耐药性优良。
5.管壁光滑,磨擦阻力小。
6.材料符合环保经济实惠。
7.质量轻,施工维护容易。阀之接端形式:可分为螺牙式、法兰式、平口式等;使用介质:纯水、高低温之药液、食品、温泉水及民生用热水输送系统。
适用范围:
产品适用于水位控制,温度控制,广泛环保工程,水处理、农业灌溉、洗浴、暖通工程、中央空调、节水设备、IC卡水表、化工管路及食品机械和各种流体控制等工业和民用自动控制行业。
Q911F-10S电动UPVC丝扣球阀主要零件材料:

Q911F-10S电动UPVC丝扣球阀主要性能参数:

Q911F-10S电动UPVC丝扣球阀执行标准:

Q911F-10S电动UPVC丝扣球阀结构图:

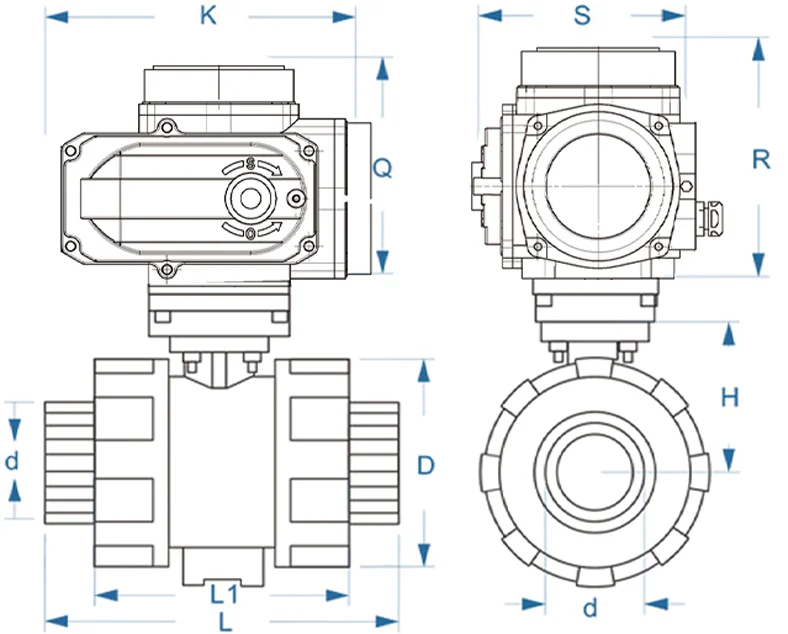
Q911F-10S电动UPVC丝扣球阀主要外形连接尺寸:

业务咨询请留言,我们第一时间为您回复!
留言咨询(30秒急速提交)
等待回访(30分钟内快速回复)
免费定制(根据需求免费定制流程方案)
答:电动执行器接好线后电机不转的原因可能是以下几点:1.没有接上电源;2.电源电压不对或电压过低;3.断线、接头与端子脱落;4.过热保护器动作(环境温度是否过高,阀门是否卡死);5.行程开关已经动作;6.电机进相用电容损坏;7.直流电动执行器二极管断路。
答:电动执行器接控制箱开闭指示灯不亮的原因可能是以下两点:1.指示灯坏;2.行程开关动作不良。
答:电动执行器运行到极限位置时电机不能停转的原因可能是以下几点:1.行程开关动作不良;2.三相交流电源相序接反;3.行程开关接入控制回路错误;4.机械限位超前电气限位动作;5.直流电动执行器二级管断路。
答:电动执行器出现进水现象可能有以下几点原因:1.电装视镜破裂;2.电装上盖、进线盖、前盖等螺栓未紧固锁好;3.进线电缆不规范或进线口处未按说明书要求做好防水处理。
答:当电动执行器定位器报警错误代码E-01,主要原因是控制信号终端或者低于0.3mA。
答:当电动执行器定位器报警错误代码E-03,主要原因是定位器和执行器件的信号反馈或开闭线接反。
答:当电动执行器定位器报警错误代码E-05,主要原因是执行器震荡大,可能由于输入信号或反馈信号不稳定、精度太高等。
答:当电动执行器定位器报警错误代码E-06,主要原因是执行器往闭方向时堵转。
答:当电动执行器定位器报警错误代码E-07,主要原因是执行器往开方向时堵转。
答:当电动执行器定位器报警错误代码E-08,主要原因是定位器壳内温度超过70℃。