电动高温法兰球阀中的球体、密封圈采用的加工工艺和耐高温的密封材料,其具有密封性能好、使用寿命长和耐高温的能力。电动高温球阀采用一体式设计,密封圈具有强度较好、耐磨、弹性回复力好等一些优点。
产品型号:QJ941M-25C
公称压力:≤2.5Mpa
适用介质:水、蒸汽、油品等
适用温度:≤300℃
可选电压:AC220V/AC380V/DC24V
电动高温法兰球阀中的球体、密封圈采用的加工工艺和耐高温的密封材料,其具有密封性能好、使用寿命长和耐高温的能力。电动高温球阀采用一体式设计,密封圈具有强度较好、耐磨、弹性回复力好等一些优点。正因如此,其密封性能可靠,使用寿命长。广泛应用于石化、高温蒸汽等高温管道中,作为介质流动的启闭控制,确保系统的稳定运行。该阀门只能是完全打开或者完全关闭,不要将它作为流量调节的阀门使用。
产品特点:
在一些使用场合内,电动高温球阀可替代传统的蒸汽闸阀、蒸汽截止阀和快速排污阀。电动高温球阀的密封座采用了强度较高的碳结石墨,具备耐高温、耐磨损、耐流体腐蚀、回弹性好以及良好的润滑性能。其适用介质包括水蒸汽、各类油品、导热油、酸性物质等。
QJ941M-25C电动高温法兰球阀主要零件材料:

QJ941M-25C电动高温法兰球阀主要性能参数:

QJ941M-25C电动高温法兰球阀执行标准:

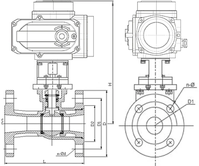
QJ941M-25C电动高温法兰球阀结构图:

QJ941M-25C电动高温法兰球阀主要外形连接尺寸:

业务咨询请留言,我们第一时间为您回复!
留言咨询(30秒急速提交)
等待回访(30分钟内快速回复)
免费定制(根据需求免费定制流程方案)
答:电动执行器接好线后电机不转的原因可能是以下几点:1.没有接上电源;2.电源电压不对或电压过低;3.断线、接头与端子脱落;4.过热保护器动作(环境温度是否过高,阀门是否卡死);5.行程开关已经动作;6.电机进相用电容损坏;7.直流电动执行器二极管断路。
答:电动执行器接控制箱开闭指示灯不亮的原因可能是以下两点:1.指示灯坏;2.行程开关动作不良。
答:电动执行器运行到极限位置时电机不能停转的原因可能是以下几点:1.行程开关动作不良;2.三相交流电源相序接反;3.行程开关接入控制回路错误;4.机械限位超前电气限位动作;5.直流电动执行器二级管断路。
答:电动执行器出现进水现象可能有以下几点原因:1.电装视镜破裂;2.电装上盖、进线盖、前盖等螺栓未紧固锁好;3.进线电缆不规范或进线口处未按说明书要求做好防水处理。
答:当电动执行器定位器报警错误代码E-01,主要原因是控制信号终端或者低于0.3mA。
答:当电动执行器定位器报警错误代码E-03,主要原因是定位器和执行器件的信号反馈或开闭线接反。
答:当电动执行器定位器报警错误代码E-05,主要原因是执行器震荡大,可能由于输入信号或反馈信号不稳定、精度太高等。
答:当电动执行器定位器报警错误代码E-06,主要原因是执行器往闭方向时堵转。
答:当电动执行器定位器报警错误代码E-07,主要原因是执行器往开方向时堵转。
答:当电动执行器定位器报警错误代码E-08,主要原因是定位器壳内温度超过70℃。