电动法兰衬氟球阀具有的流体阻力小,启闭速度快,结构简单外,采用FEP衬里层的球阀,具有极高的化学稳定性,可以适用除“熔融碱金属和元素氟”,以外其它任何强腐蚀性质。
产品型号:Q941F46-16C
公称压力:≤1.6Mpa
适用介质:硝酸类、醋酸类、碱类等
适用温度:≤150℃
可选电压:AC220V/AC380V/DC24V
电动法兰衬氟球阀具有的流体阻力小,启闭速度快,结构简单外,采用FEP衬里层的球阀,具有极高的化学稳定性,可以适用除“熔融碱金属和元素氟”,以外其它任何强腐蚀性质。采用全通径、浮动球结构,阀门可在整个压力范围内进行无泄漏关闭,更便于管路系统的通球扫线和管路维护。启闭件球件与阀杆铸(锻)为一体,杜绝了由于压力变化引起阀杆冲出承压件内的可能性,从根本上保证了工程中的使用安全性。
产品特性:
1、采用FEP衬里层的球阀,具有极高的化学稳定性,可以适用除“熔融碱金属和元素氟”,以外其它任何强腐蚀性质;
2、采用全通径、浮动球结构,阀门可在整个压力范围内进行无泄漏关闭,更便于管路系统的通球扫线和管路维护;
3、启闭件球件与阀杆铸(锻)为一体,杜 了由于压力变化引起阀杆冲出承压件内的可能性,从根本上保证了工程中的使用安全性;
4、结构紧凑合理,阀体内腔空间 小,减小了介质滞留,另外,特殊的模压工艺,使密封面致密度良好,加之人字环形PTFE填料组合,使阀门达到零泄漏。
应用范围:
电动衬氟球阀为控制各种强腐蚀性介质的启闭而进行的专业设计,广泛适用于石油,化工,染化,农药,制酸制碱等行业,是目前防腐阀门的选择之一。
Q941F46-16C电动衬氟球阀主要零件材料:

Q941F46-16C电动衬氟球阀主要性能参数:

Q941F46-16C电动衬氟球阀执行标准:

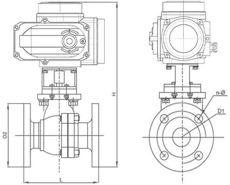
Q941F46-16C电动衬氟球阀结构图:

Q941F46-16C电动衬氟球阀主要外形连接尺寸:

业务咨询请留言,我们第一时间为您回复!
留言咨询(30秒急速提交)
等待回访(30分钟内快速回复)
免费定制(根据需求免费定制流程方案)
答:电动执行器接好线后电机不转的原因可能是以下几点:1.没有接上电源;2.电源电压不对或电压过低;3.断线、接头与端子脱落;4.过热保护器动作(环境温度是否过高,阀门是否卡死);5.行程开关已经动作;6.电机进相用电容损坏;7.直流电动执行器二极管断路。
答:电动执行器接控制箱开闭指示灯不亮的原因可能是以下两点:1.指示灯坏;2.行程开关动作不良。
答:电动执行器运行到极限位置时电机不能停转的原因可能是以下几点:1.行程开关动作不良;2.三相交流电源相序接反;3.行程开关接入控制回路错误;4.机械限位超前电气限位动作;5.直流电动执行器二级管断路。
答:电动执行器出现进水现象可能有以下几点原因:1.电装视镜破裂;2.电装上盖、进线盖、前盖等螺栓未紧固锁好;3.进线电缆不规范或进线口处未按说明书要求做好防水处理。
答:当电动执行器定位器报警错误代码E-01,主要原因是控制信号终端或者低于0.3mA。
答:当电动执行器定位器报警错误代码E-03,主要原因是定位器和执行器件的信号反馈或开闭线接反。
答:当电动执行器定位器报警错误代码E-05,主要原因是执行器震荡大,可能由于输入信号或反馈信号不稳定、精度太高等。
答:当电动执行器定位器报警错误代码E-06,主要原因是执行器往闭方向时堵转。
答:当电动执行器定位器报警错误代码E-07,主要原因是执行器往开方向时堵转。
答:当电动执行器定位器报警错误代码E-08,主要原因是定位器壳内温度超过70℃。