欢迎光临 卡斯托智能科技江阴有限公司 !

  • 扫码加微信

  • 17706168666
当前位置: 首页 > 产品中心 > 电动球阀

电动加高支架不锈钢法兰球阀

电动球阀是一种转角90旋转类球阀,密封性能优良,流通能力大,流阻系数小,结构简单,维修方便,使用寿命长,阀体通道和连接管径相等并成一直径,介质几乎可以毫无损失的流过。

  • 产品型号:Q941F-16P

  • 公称压力:≤1.6Mpa

  • 适用介质:水、蒸汽、油品等

  • 适用温度:≤150℃

  • 可选电压:AC220V/AC380V/DC24V

产品介绍

电动球阀是一种转角90°旋转类球阀,密封性能优良,流通能力大,流阻系数小,结构简单,维修方便,使用寿命长,阀体通道和连接管径相等并成一直径,介质几乎可以毫无损失的流过,配用电动执行机构,产品通常用于密封要求严格的场合,除控制气体,液体,蒸汽介质外,还适宜控制水含有纤维杂质的介质,广泛用于石油、化工、冶金、轻工、造纸、电站、制冷等工作领域。

性能特点:

1.流体阻力小,球阀是所有阀类中流体阻力较小的一种。即使是缩径球阀,其流体阻力也相当小。

2.止推轴轴承减小阀杆摩擦力矩,可使阀杆长期操作平衡灵活。

3.阀座密封性能好,采用聚四氟乙烯等材料制成的密封圈,结构易于密封,而且球阀的密封能力随着介质压力的增大而增大。

4.阀杆密封可靠,由于阀杆只作旋转运动而不做升降运动,阀杆的填料密封不易破坏,且密封能力随介质的压力增设而增大。

5.由于聚四氟乙烯等材料具有良好的自润滑性,与球体的摩擦损失小,球阀的使用寿命更长。

6.下装式阀杆和阀杆头部凸阶防止阀杆喷出,如火灾造成阀杆密封破坏,凸阶与阀体间还可形成金属接触,确保阀杆密封。


技术参数

Q941F-16P电动法兰球阀主要零件材料:

Q941F-16P电动法兰球阀主要零件材料.webp

Q941F-16P电动法兰球阀主要性能参数:

Q941F-16P电动法兰球阀主要性能参数.webp

Q941F-16P电动法兰球阀执行标准:

Q941F-16P电动法兰球阀执行标准.webp

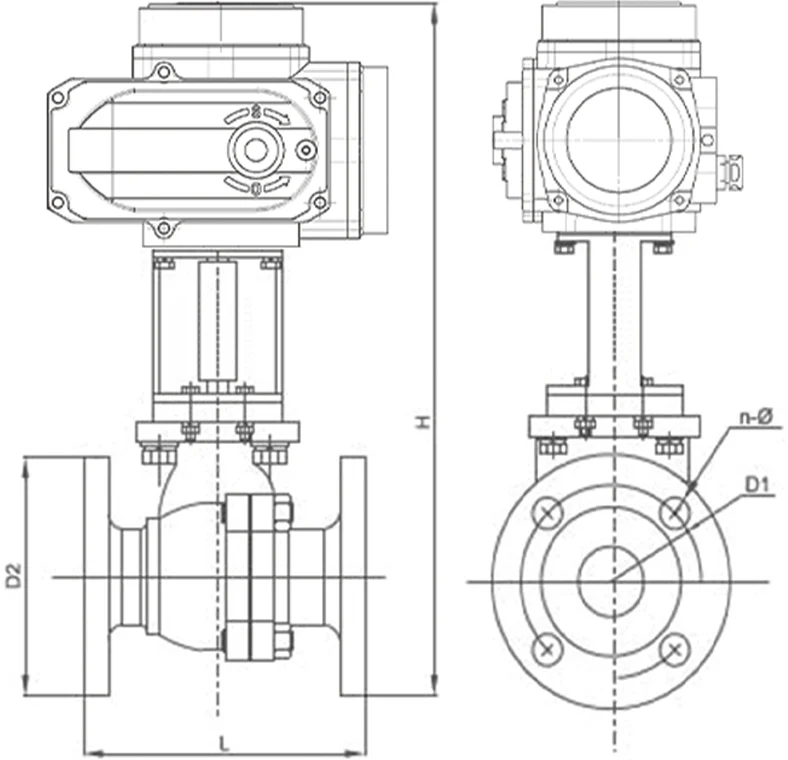
Q941F-16P电动法兰球阀结构图:

Q941F-16P电动法兰球阀结构图.webp

Q941F-16P电动法兰球阀主要外形连接尺寸:

Q941F-16P电动法兰球阀主要外形连接尺寸.webp


在线留言

业务咨询请留言,我们第一时间为您回复!

  • 1

    留言咨询(30秒急速提交)

  • 2

    等待回访(30分钟内快速回复)

  • 3

    免费定制(根据需求免费定制流程方案)