电动球阀是一种转角90旋转类球阀,密封性能优良,流通能力大,流阻系数小,结构简单,维修方便,使用寿命长,阀体通道和连接管径相等并成一直径,介质几乎可以毫无损失的流过。
产品型号:Q941PPL-16C
公称压力:≤1.6Mpa
适用介质:水、蒸汽、油品等
适用温度:≤250℃
可选电压:AC220V/AC380V/DC24V
电动球阀是一种转角90°旋转类球阀,密封性能优良,流通能力大,流阻系数小,结构简单,维修方便,使用寿命长,阀体通道和连接管径相等并成一直径,介质几乎可以毫无损失的流过,配用电动执行机构,产品通常用于密封要求严格的场合,除控制气体,液体,蒸汽介质外,还适宜控制水含有纤维杂质的介质,广泛用于石油、化工、冶金、轻工、造纸、电站、制冷等工作领域。
性能特点:
1.流体阻力小,球阀是所有阀类中流体阻力较小的一种。即使是缩径球阀,其流体阻力也相当小。
2.止推轴轴承减小阀杆摩擦力矩,可使阀杆长期操作平衡灵活。
3.阀座密封性能好,采用PPL对位聚苯酚等材料制成的密封圈,可耐200℃高温,结构易于密封,而且球阀的密封能力随着介质压力的增大而增大。
4.阀杆密封可靠,由于阀杆只作旋转运动而不做升降运动,阀杆的填料密封不易破坏,且密封能力随介质的压力增设而增大。
5.由于PPL对位聚苯酚等材料具有良好的自润滑性,与球体的摩擦损失小,球阀的使用寿命更长。
6.下装式阀杆和阀杆头部凸阶防止阀杆喷出,如火灾造成阀杆密封破坏,凸阶与阀体间还可形成金属接触,确保阀杆密封。
Q941PPL-16C电动法兰球阀主要零件材料:

Q941PPL-16C电动法兰球阀主要性能参数:

Q941PPL-16C电动法兰球阀执行标准:

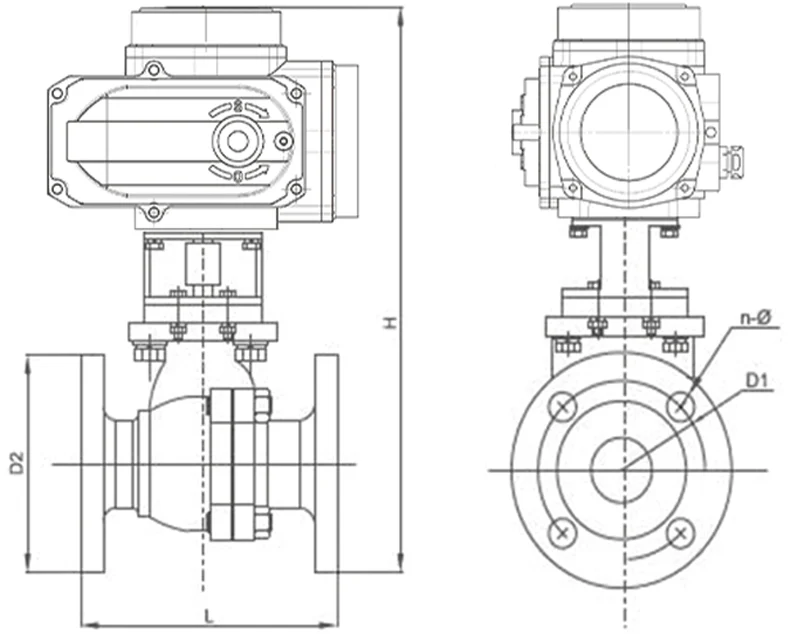
Q941PPL-16C电动法兰球阀结构图:

Q941PPL-16C电动法兰球阀主要外形连接尺寸:

业务咨询请留言,我们第一时间为您回复!
留言咨询(30秒急速提交)
等待回访(30分钟内快速回复)
免费定制(根据需求免费定制流程方案)
答:电动执行器接好线后电机不转的原因可能是以下几点:1.没有接上电源;2.电源电压不对或电压过低;3.断线、接头与端子脱落;4.过热保护器动作(环境温度是否过高,阀门是否卡死);5.行程开关已经动作;6.电机进相用电容损坏;7.直流电动执行器二极管断路。
答:电动执行器接控制箱开闭指示灯不亮的原因可能是以下两点:1.指示灯坏;2.行程开关动作不良。
答:电动执行器运行到极限位置时电机不能停转的原因可能是以下几点:1.行程开关动作不良;2.三相交流电源相序接反;3.行程开关接入控制回路错误;4.机械限位超前电气限位动作;5.直流电动执行器二级管断路。
答:电动执行器出现进水现象可能有以下几点原因:1.电装视镜破裂;2.电装上盖、进线盖、前盖等螺栓未紧固锁好;3.进线电缆不规范或进线口处未按说明书要求做好防水处理。
答:当电动执行器定位器报警错误代码E-01,主要原因是控制信号终端或者低于0.3mA。
答:当电动执行器定位器报警错误代码E-03,主要原因是定位器和执行器件的信号反馈或开闭线接反。
答:当电动执行器定位器报警错误代码E-05,主要原因是执行器震荡大,可能由于输入信号或反馈信号不稳定、精度太高等。
答:当电动执行器定位器报警错误代码E-06,主要原因是执行器往闭方向时堵转。
答:当电动执行器定位器报警错误代码E-07,主要原因是执行器往开方向时堵转。
答:当电动执行器定位器报警错误代码E-08,主要原因是定位器壳内温度超过70℃。