电动三片式球阀采用三段式结构,与电动执行机构相配,体积小,由三部分阀壳组成,通过四只较长螺栓从两端夹住中间阀体与阀球而成。其优点是维修拆卸时不用拆卸焊接管路,直接拆卸四只螺栓,阀体中间部分即可取出。
产品型号:Q981F-16P
公称压力:≤1.6Mpa
适用介质:水、空气、油品等
适用温度:≤150℃
可选电压:AC220V/AC380V/DC24V
电动三片式球阀采用三段式结构,与电动执行机构相配,体积小,由三部分阀壳组成,通过四只较长螺栓从两端夹住中间阀体与阀球而成。其优点是维修拆卸时不用拆卸焊接管路,直接拆卸四只螺栓,阀体中间部分即可取出。适用于轻工机械体积小空间窄的场合。具有体积小、配套简单、流通能力大,特别适合于介质是粘稠,含颗粒,纤维性质的场合。
性能特点:
1.球阀为三片式结构,便于安装、拆卸、维修。
2.阀体采用精密硅溶胶铸造工艺,结构合理、造型美观。
3.阀座采用弹性密封结构,密封可靠、启闭轻松。
4.阀杆采用有倒密封的下装式结构,阀腔异常升压时,阀杆不会被冲出。
5.阀门有螺纹、焊接和快装连接方式,安装平台符合ISO5211标准。
6.可设置90°开关定位机构,根据需要加锁以防止误操作。
应用领域:
广泛应用于食品、环保、轻工、石油、造纸、化工、教学和科研设备、电力等行业的工业自动控制系统中。
Q981F-16P电动三片式球阀主要零件材料:

Q981F-16P电动三片式球阀主要性能参数:

Q981F-16P电动三片式球阀结构图:

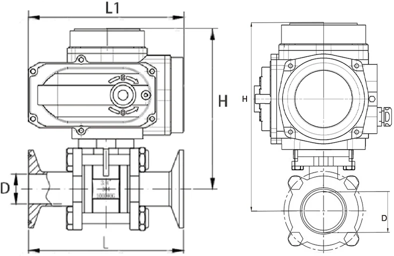
Q981F-16P电动三片式球阀主要外形连接尺寸:

业务咨询请留言,我们第一时间为您回复!
留言咨询(30秒急速提交)
等待回访(30分钟内快速回复)
免费定制(根据需求免费定制流程方案)
答:电动执行器接好线后电机不转的原因可能是以下几点:1.没有接上电源;2.电源电压不对或电压过低;3.断线、接头与端子脱落;4.过热保护器动作(环境温度是否过高,阀门是否卡死);5.行程开关已经动作;6.电机进相用电容损坏;7.直流电动执行器二极管断路。
答:电动执行器接控制箱开闭指示灯不亮的原因可能是以下两点:1.指示灯坏;2.行程开关动作不良。
答:电动执行器运行到极限位置时电机不能停转的原因可能是以下几点:1.行程开关动作不良;2.三相交流电源相序接反;3.行程开关接入控制回路错误;4.机械限位超前电气限位动作;5.直流电动执行器二级管断路。
答:电动执行器出现进水现象可能有以下几点原因:1.电装视镜破裂;2.电装上盖、进线盖、前盖等螺栓未紧固锁好;3.进线电缆不规范或进线口处未按说明书要求做好防水处理。
答:当电动执行器定位器报警错误代码E-01,主要原因是控制信号终端或者低于0.3mA。
答:当电动执行器定位器报警错误代码E-03,主要原因是定位器和执行器件的信号反馈或开闭线接反。
答:当电动执行器定位器报警错误代码E-05,主要原因是执行器震荡大,可能由于输入信号或反馈信号不稳定、精度太高等。
答:当电动执行器定位器报警错误代码E-06,主要原因是执行器往闭方向时堵转。
答:当电动执行器定位器报警错误代码E-07,主要原因是执行器往开方向时堵转。
答:当电动执行器定位器报警错误代码E-08,主要原因是定位器壳内温度超过70℃。