精小型电动执行器用于控制0~90旋转的阀门及其他同类产品,如蝶阀、球阀、风门、旋塞阀、百叶阀等,它以交流电源和直流电源为驱动电源,以电流信号或电压信号为控制信号,可使阀门运动到所需位置,实现其自动化控制。可以广泛应用于石油、化工、电力、冶金、制药、造纸、能源、水处理、船舶、纺织、食品加工、楼宇自动化等领域。
产品型号:KST-60
可选电压:AC220V/AC380V/DC24V
输出力矩:600N.M
行程时间:30S/60S
电机功率:100W
精小型电动执行器用于控制0°~90°旋转的阀门及其他同类产品,如蝶阀、球阀、风门、旋塞阀、百叶阀等,它以交流电源和直流电源为驱动电源,以电流信号或电压信号为控制信号,可使阀门运动到所需位置,实现其自动化控制。可以广泛应用于石油、化工、电力、冶金、制药、造纸、能源、水处理、船舶、纺织、食品加工、楼宇自动化等领域。
产品特性:
1.功能强劲:开关型、调节型、各类信号输出应有尽有。
2.紧密耐磨:蜗轮输出轴一体化设计避免了键联结的间隙、传动精度高,采用特殊合金钢锻造、强度高、耐磨性好。
3.安全保证:通过AC1500V耐压检测,F级绝缘电机,安全有保障。
4.配套简单:采用单相电源、外接线路简单,也可以做380V直流电源。
5.保护装置:双重限位、过热保护、过载保护。
6.防腐防锈:执行器壳体采用硬质铝合金,经阳极氧化处理和聚酯粉末涂层,紧固螺丝均采用304不锈钢,防水防锈,耐腐蚀性强。

精小型电动执行器适配阀门参数表:

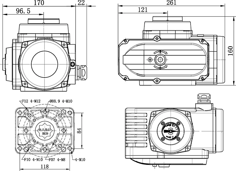
60型电动执行器尺寸图:

业务咨询请留言,我们第一时间为您回复!
留言咨询(30秒急速提交)
等待回访(30分钟内快速回复)
免费定制(根据需求免费定制流程方案)
答:电动执行器接好线后电机不转的原因可能是以下几点:1.没有接上电源;2.电源电压不对或电压过低;3.断线、接头与端子脱落;4.过热保护器动作(环境温度是否过高,阀门是否卡死);5.行程开关已经动作;6.电机进相用电容损坏;7.直流电动执行器二极管断路。
答:电动执行器接控制箱开闭指示灯不亮的原因可能是以下两点:1.指示灯坏;2.行程开关动作不良。
答:电动执行器运行到极限位置时电机不能停转的原因可能是以下几点:1.行程开关动作不良;2.三相交流电源相序接反;3.行程开关接入控制回路错误;4.机械限位超前电气限位动作;5.直流电动执行器二级管断路。
答:电动执行器出现进水现象可能有以下几点原因:1.电装视镜破裂;2.电装上盖、进线盖、前盖等螺栓未紧固锁好;3.进线电缆不规范或进线口处未按说明书要求做好防水处理。
答:当电动执行器定位器报警错误代码E-01,主要原因是控制信号终端或者低于0.3mA。
答:当电动执行器定位器报警错误代码E-03,主要原因是定位器和执行器件的信号反馈或开闭线接反。
答:当电动执行器定位器报警错误代码E-05,主要原因是执行器震荡大,可能由于输入信号或反馈信号不稳定、精度太高等。
答:当电动执行器定位器报警错误代码E-06,主要原因是执行器往闭方向时堵转。
答:当电动执行器定位器报警错误代码E-07,主要原因是执行器往开方向时堵转。
答:当电动执行器定位器报警错误代码E-08,主要原因是定位器壳内温度超过70℃。