防爆型电动执行器用于蝶阀、球阀、风门、旋塞阀、百叶阀等做0-90角行程运行的阀门,控制阀门的开启、关闭或调节阀门开度,具有智能化水平高、体积小、性能可靠、防爆等级高、配套简单等特点。广泛用于煤炭、石油、冶金、化工、食品加工、军工等工业部门的生产、运输、储存等会产生爆炸性物质的场所。
产品型号:KST-EX系列
可选电压:AC220V/AC380V/DC24V
可选类型:开关型/调节型
防护等级:IP67/IP68
防爆等级:CT4
防爆型电动执行器用于蝶阀、球阀、风门、旋塞阀、百叶阀等做0-90°角行程运行的阀门,控制阀门的开启、关闭或调节阀门开度,具有智能化水平高、体积小、性能可靠、防爆等级高、配套简单等特点。广泛用于煤炭、石油、冶金、化工、食品加工、军工等工业部门的生产、运输、储存等会产生爆炸性物质的场所。
产品特性:
防爆型电动执行器通过Ex防爆认证,符合《GB12476.1-2013 可燃性粉尘环境用电气设备 第1部分:通用要求》《GB124476.5-2013 可燃性粉尘环境用电气设备 第5部分:外壳保护型“tD”》《GB3836.1-2010爆炸性环境第1部分:设备通用要求》和 《GB3836.2-2010爆炸性环境第2部分:由隔爆外壳“d”保护的设备》标准,获得《防爆电气设备防爆合格证》,防爆标志:EX d II C T4 Gb,用户可放心使用。

防爆型电动执行器适配阀门参数表:

05型电动执行器尺寸图:

16型电动执行器尺寸图:

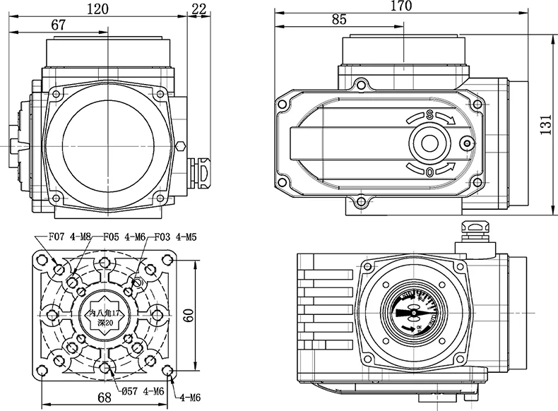
25型/50型/60型电动执行器尺寸图:

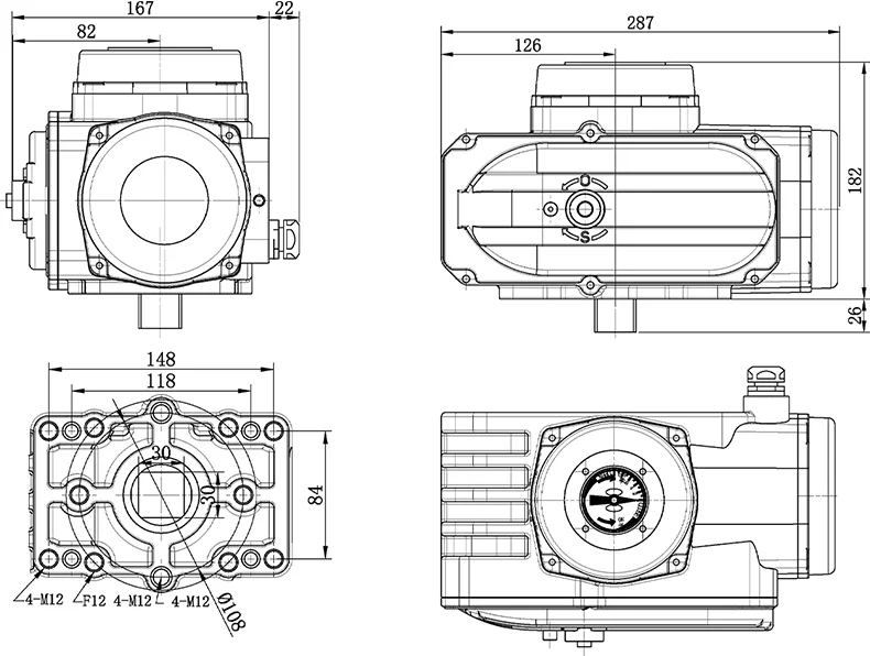
100型/200型电动执行器尺寸图:

业务咨询请留言,我们第一时间为您回复!
留言咨询(30秒急速提交)
等待回访(30分钟内快速回复)
免费定制(根据需求免费定制流程方案)
答:电动执行器接好线后电机不转的原因可能是以下几点:1.没有接上电源;2.电源电压不对或电压过低;3.断线、接头与端子脱落;4.过热保护器动作(环境温度是否过高,阀门是否卡死);5.行程开关已经动作;6.电机进相用电容损坏;7.直流电动执行器二极管断路。
答:电动执行器接控制箱开闭指示灯不亮的原因可能是以下两点:1.指示灯坏;2.行程开关动作不良。
答:电动执行器运行到极限位置时电机不能停转的原因可能是以下几点:1.行程开关动作不良;2.三相交流电源相序接反;3.行程开关接入控制回路错误;4.机械限位超前电气限位动作;5.直流电动执行器二级管断路。
答:电动执行器出现进水现象可能有以下几点原因:1.电装视镜破裂;2.电装上盖、进线盖、前盖等螺栓未紧固锁好;3.进线电缆不规范或进线口处未按说明书要求做好防水处理。
答:当电动执行器定位器报警错误代码E-01,主要原因是控制信号终端或者低于0.3mA。
答:当电动执行器定位器报警错误代码E-03,主要原因是定位器和执行器件的信号反馈或开闭线接反。
答:当电动执行器定位器报警错误代码E-05,主要原因是执行器震荡大,可能由于输入信号或反馈信号不稳定、精度太高等。
答:当电动执行器定位器报警错误代码E-06,主要原因是执行器往闭方向时堵转。
答:当电动执行器定位器报警错误代码E-07,主要原因是执行器往开方向时堵转。
答:当电动执行器定位器报警错误代码E-08,主要原因是定位器壳内温度超过70℃。