本产品采用液晶屏幕显示,红外遥控操作,自诊断故障报警。就地操作采用非接触感应元件无需开盖调试蛮简单耐用;位置检测采用先进绝对值编码器,无死区,编码器位置控制精确无误,无须使用行程开关限位。
RS-485通讯:支持
液晶屏幕显示:支持
现场就地操作:支持
红外遥控操作:支持
自诊断故障报警:支持
本产品采用液晶屏幕显示,红外遥控操作,自诊断故障报警。就地操作采用非接触感应元件无需开盖调试蛮简单耐用;位置检测采用先进绝对值编码器,无死区,编码器位置控制精确无误,无须使用行程开关限位;电机直接驱动(可控硅直接驱动三相或单向电机)两种;该产品结合了多项自主研发创新的高科技术,具有完备的先进功能,可靠的稳定性及高性价比的优点。调试简单,安装简便,轻松设定。
产品特性:
1.采用液晶屏幕显示,红外遥控操作,现场就地操作,无需开盖调试,轻松设定。
2.蜗轮输出轴一体化设计避免了键联结的间隙、传动精度高,采用特殊合金钢锻造、强度高、耐磨性好。
3.防腐防锈:执行器壳体采用硬质铝合金,经阳极氧化处理和聚酯粉末涂层,紧固螺丝均采用304不锈钢,防水防锈,耐腐蚀性强。
4.通位置检测采用先进绝对值编码器,无死区,编码器位置控制精确无误。
5.各输入输出端子通过继电器、光电耦合器隔离,可承受2000V浪涌电压。
6.可控硅输出,适用于可逆控制,接通持续率50%,每小时接通次数≤1200次。
7.现场控制按钮采用双重密封和防尘保护设计,可灵活设置参数。
8.带稳定MODBUS通讯接口,支持485通讯。

智能整体调节型电动执行器适配阀门参数表:

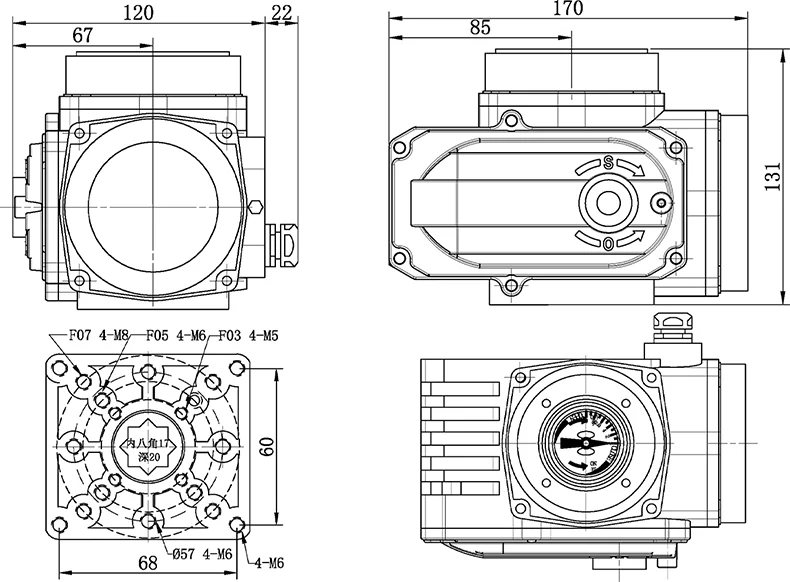
05型电动执行器尺寸图:

16型电动执行器尺寸图:

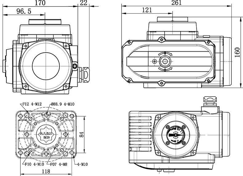
25型/50型/60型电动执行器尺寸图:

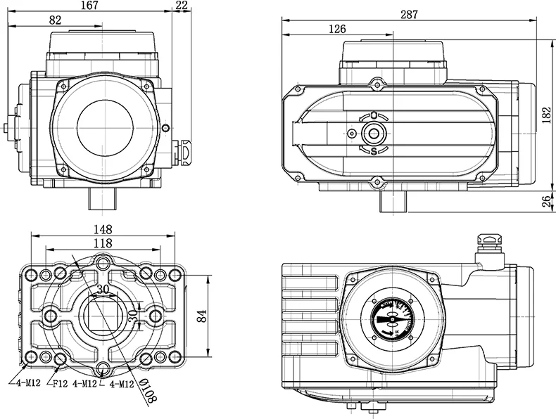
100型/200型电动执行器尺寸图:

业务咨询请留言,我们第一时间为您回复!
留言咨询(30秒急速提交)
等待回访(30分钟内快速回复)
免费定制(根据需求免费定制流程方案)
答:电动执行器接好线后电机不转的原因可能是以下几点:1.没有接上电源;2.电源电压不对或电压过低;3.断线、接头与端子脱落;4.过热保护器动作(环境温度是否过高,阀门是否卡死);5.行程开关已经动作;6.电机进相用电容损坏;7.直流电动执行器二极管断路。
答:电动执行器接控制箱开闭指示灯不亮的原因可能是以下两点:1.指示灯坏;2.行程开关动作不良。
答:电动执行器运行到极限位置时电机不能停转的原因可能是以下几点:1.行程开关动作不良;2.三相交流电源相序接反;3.行程开关接入控制回路错误;4.机械限位超前电气限位动作;5.直流电动执行器二级管断路。
答:电动执行器出现进水现象可能有以下几点原因:1.电装视镜破裂;2.电装上盖、进线盖、前盖等螺栓未紧固锁好;3.进线电缆不规范或进线口处未按说明书要求做好防水处理。
答:当电动执行器定位器报警错误代码E-01,主要原因是控制信号终端或者低于0.3mA。
答:当电动执行器定位器报警错误代码E-03,主要原因是定位器和执行器件的信号反馈或开闭线接反。
答:当电动执行器定位器报警错误代码E-05,主要原因是执行器震荡大,可能由于输入信号或反馈信号不稳定、精度太高等。
答:当电动执行器定位器报警错误代码E-06,主要原因是执行器往闭方向时堵转。
答:当电动执行器定位器报警错误代码E-07,主要原因是执行器往开方向时堵转。
答:当电动执行器定位器报警错误代码E-08,主要原因是定位器壳内温度超过70℃。