温馨提示:竭诚为用户提供各类产品相关问题及专业解答。无论您有任何疑问,都可在右侧提交您的问题,我们有专业人员会给您详尽细致的解答。
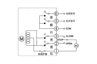
AC220V标准开关型(B型)线路图介绍:其是通过开关电路实现阀门的开关操作,并输出一组指示阀门全开全关的有源位置。
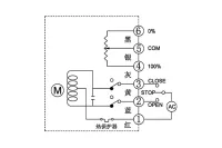
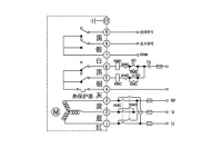
AC220V带位置变送器型(I型)线路图介绍:其是通过开关电路实现阀门的开关操作,同时输出阀门开闭角度相对应的电流信号。
AC220V调节型智能定位器线路图介绍:能直接接收工业仪表或计算机等输出的4-20mA DC信号和执行器内部位置反馈信号,实现0%-100%模拟量的比例式控制。
AC220V开度信号型(R型)线路图介绍:通过开关电路实现阀门的开启角度,并输出与开度位置对应的电阻信号。
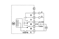
AC220V无源触点型(S型)线路图介绍:通过开关电路实现阀门的开关操作,并输出一组指示阀门全开、全关的无源触点信号。
AC380V相交流无源触点型(A型)线路图介绍:通过外部倒相电路,使电机正反转,从而实现“开”、“关”操作并输出一组全开和全关无源信号。
DC12V/DC24V/DC220V直流电路型(D型)线路图介绍:通过切换外部电源的正负极,实现阀门的开关操作,同时输出一组指示阀门全开全关的无源触点信号。
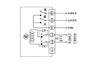
DC24V调节型智能定位器线路图介绍:能直接接收工业仪表或计算机等输出的4-20mA DC信号和执行器内部位置反馈信号,实现0%-100%模拟量的比例式控制。