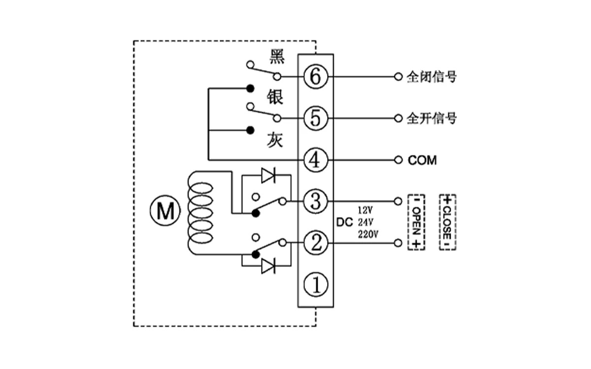
DC12V/DC24V/DC220V直流电路型(D型)线路图介绍:

通过切换外部电源的正负极,实现阀门的开关操作,同时输出一组指示阀门全开全关的无源触点信号。
接线说明:
●端子2接电源正极时,端子3接电源负极为“开”操作;
●端子2接电源负极时,端子3接电源正极为“关”操作;
●端子4为无源触点公共端;
●“开”运行到位时,端子5输出全开信号;
●“关”运行到位时,端子6输出全关信号。
DC12V/DC24V/DC220V直流电路型(D型)线路图介绍:

通过切换外部电源的正负极,实现阀门的开关操作,同时输出一组指示阀门全开全关的无源触点信号。
接线说明:
●端子2接电源正极时,端子3接电源负极为“开”操作;
●端子2接电源负极时,端子3接电源正极为“关”操作;
●端子4为无源触点公共端;
●“开”运行到位时,端子5输出全开信号;
●“关”运行到位时,端子6输出全关信号。
温馨提示:竭诚为用户提供各类产品相关问题及专业解答。无论您有任何疑问,都可在右侧提交您的问题,我们有专业人员会给您详尽细致的解答。