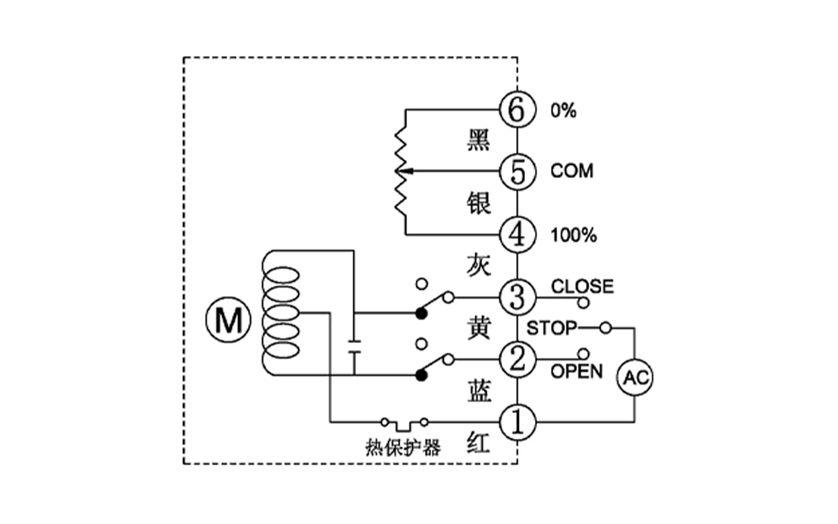
AC220V开度信号型(R型)线路图介绍:

通过开关电路实现阀门的开启角度,并输出与开度位置对应的电阻信号。
接线说明:
●端子1接电源零线,端子5为电位器动臂;
●电源相线与端子2接通时为“开”运行,电源相线与端子3接通时为“关”运行;
●端子4为电位器低端,“开”运行时,端子4和5之间的阻值随着阀门的打开而增大;
●端子6为电位器高端,“关”运行时,端子6和5之间的阻值随着阀门的关闭而增大。
AC220V开度信号型(R型)线路图介绍:

通过开关电路实现阀门的开启角度,并输出与开度位置对应的电阻信号。
接线说明:
●端子1接电源零线,端子5为电位器动臂;
●电源相线与端子2接通时为“开”运行,电源相线与端子3接通时为“关”运行;
●端子4为电位器低端,“开”运行时,端子4和5之间的阻值随着阀门的打开而增大;
●端子6为电位器高端,“关”运行时,端子6和5之间的阻值随着阀门的关闭而增大。
温馨提示:竭诚为用户提供各类产品相关问题及专业解答。无论您有任何疑问,都可在右侧提交您的问题,我们有专业人员会给您详尽细致的解答。