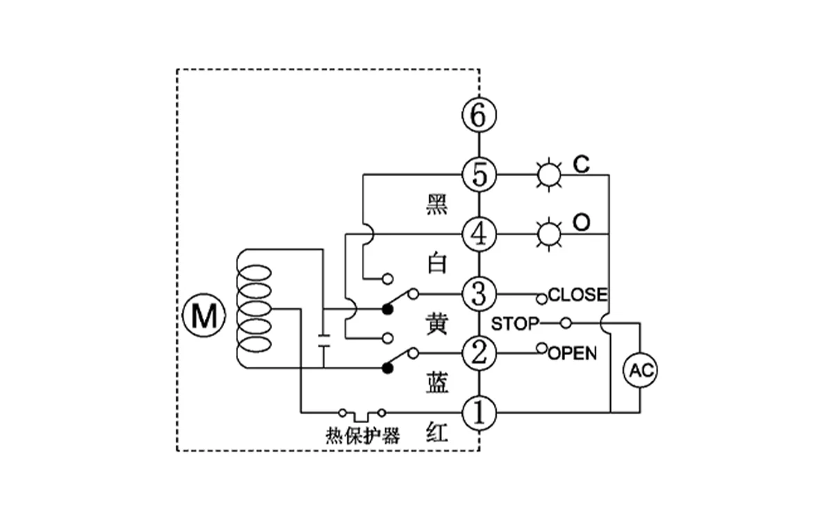
AC220V标准开关型(B型)线路图介绍:

其是通过开关电路实现阀门的开关操作,并输出一组指示阀门全开全关的有源位置。
接线说明:
●端子1接电源零线;
●电源相线与端子2接通时为“开”运行;
●电源相线与端子3接通时为“关”运行;
●电源相线与端子2接通时,如果“开”运行到位,端子4所接“全开信号”指示灯亮;
●电源相线与端子3接通时,如果“关”运行到位,端子5所接“全关信号”指示灯亮。
下一篇:暂无
AC220V标准开关型(B型)线路图介绍:

其是通过开关电路实现阀门的开关操作,并输出一组指示阀门全开全关的有源位置。
接线说明:
●端子1接电源零线;
●电源相线与端子2接通时为“开”运行;
●电源相线与端子3接通时为“关”运行;
●电源相线与端子2接通时,如果“开”运行到位,端子4所接“全开信号”指示灯亮;
●电源相线与端子3接通时,如果“关”运行到位,端子5所接“全关信号”指示灯亮。
下一篇:暂无
温馨提示:竭诚为用户提供各类产品相关问题及专业解答。无论您有任何疑问,都可在右侧提交您的问题,我们有专业人员会给您详尽细致的解答。