AC220V无源触点型(S型)线路图介绍:

通过开关电路实现阀门的开关操作,并输出一组指示阀门全开、全关的无源触点信号。
接线说明:
●端子1接电源零线;
●电源相线与端子2接通时为“开”运行;
●电源相线与端子3接通时为“关”运行;
●端子4为无源触点公共端;
●如果“开”运行到位,端子5输出“全开信号”;
●如果“关”运行到位,端子6输出“全关信号”。
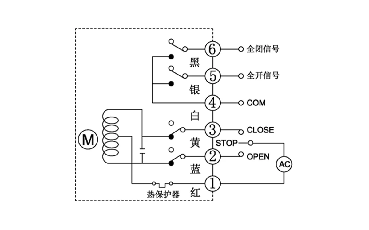
AC220V无源触点型(S型)线路图介绍:

通过开关电路实现阀门的开关操作,并输出一组指示阀门全开、全关的无源触点信号。
接线说明:
●端子1接电源零线;
●电源相线与端子2接通时为“开”运行;
●电源相线与端子3接通时为“关”运行;
●端子4为无源触点公共端;
●如果“开”运行到位,端子5输出“全开信号”;
●如果“关”运行到位,端子6输出“全关信号”。
温馨提示:竭诚为用户提供各类产品相关问题及专业解答。无论您有任何疑问,都可在右侧提交您的问题,我们有专业人员会给您详尽细致的解答。