AC380V相交流无源触点型(A型)线路图介绍:

通过外部倒相电路,使电机正反转,从而实现“开”、“关”操作并输出一组全开和全关无源信号。
接线说明:
●端子1、2、3接三相电源,通过外部倒相电路实现电机正反转;
●端子4为外部控制电路公共端;端子5为“关”运行控制;端子6为“开”运行控制;端子7为无源触点公共端。
●“开”运行到位时,端子8输出“全开信号”;
●“关”运行到位时,端子9输出“全关信号”;
●端子10接地线。
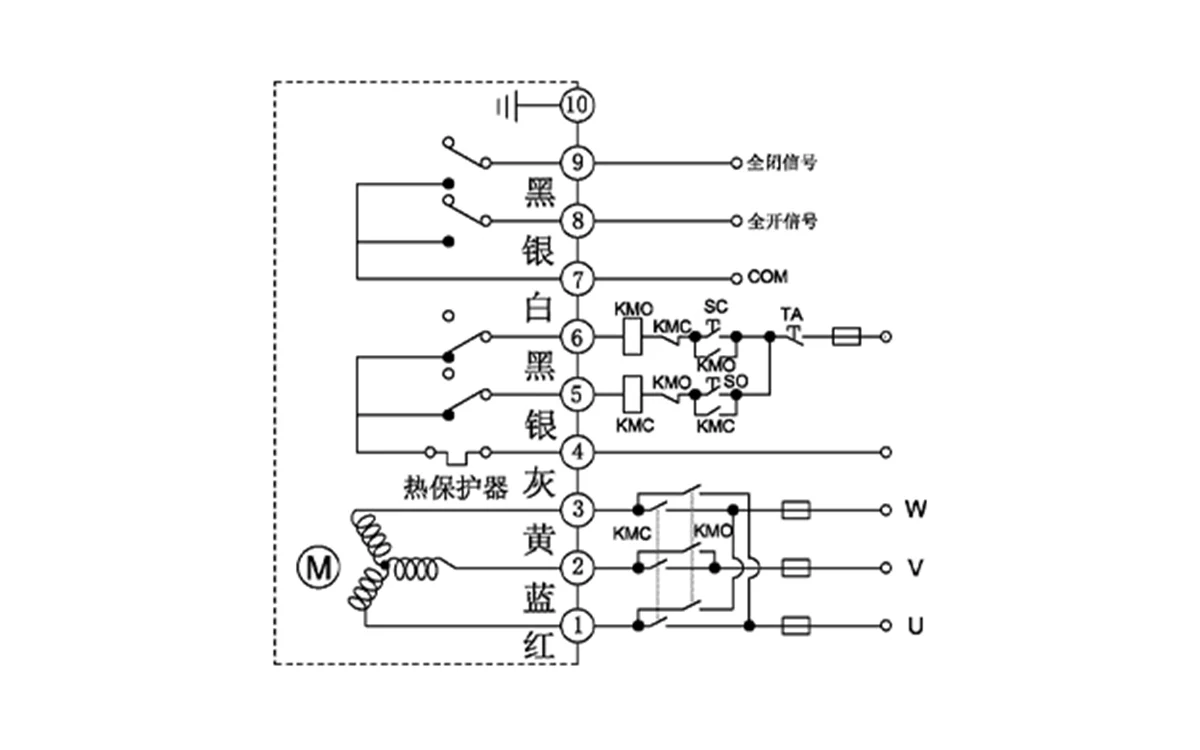
AC380V相交流无源触点型(A型)线路图介绍:

通过外部倒相电路,使电机正反转,从而实现“开”、“关”操作并输出一组全开和全关无源信号。
接线说明:
●端子1、2、3接三相电源,通过外部倒相电路实现电机正反转;
●端子4为外部控制电路公共端;端子5为“关”运行控制;端子6为“开”运行控制;端子7为无源触点公共端。
●“开”运行到位时,端子8输出“全开信号”;
●“关”运行到位时,端子9输出“全关信号”;
●端子10接地线。
温馨提示:竭诚为用户提供各类产品相关问题及专业解答。无论您有任何疑问,都可在右侧提交您的问题,我们有专业人员会给您详尽细致的解答。