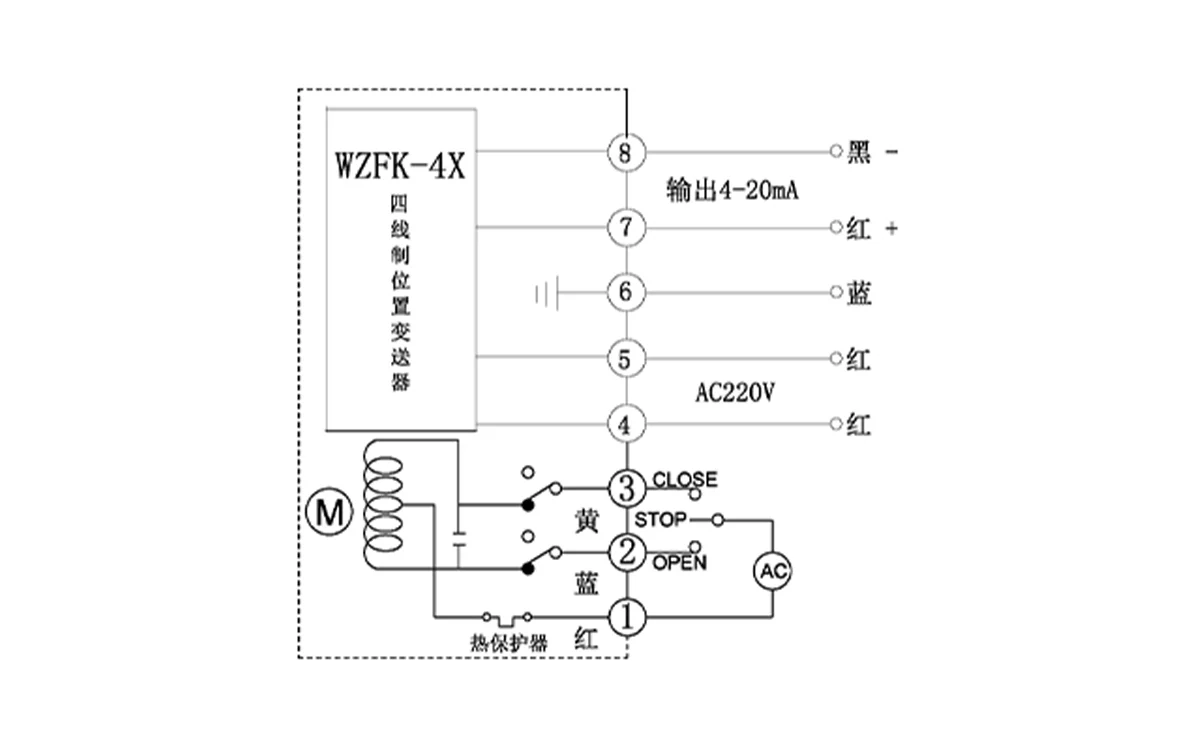
AC220V带位置变送器型(I型)线路图介绍:

其是通过开关电路实现阀门的开关操作,同时输出阀门开闭角度相对应的电流信号。
接线说明:
●端子1接电源零线;
●电源相线与端子2接通时为“开”运行;
●电源相线与端子3接通时为“关”运行;
●“开”运行时,端子7与端子8之间的电流由4~20mA之间变大;
●“关”运行时,端子7与端子8之间的电流由20~4mA之间减小。
AC220V带位置变送器型(I型)线路图介绍:

其是通过开关电路实现阀门的开关操作,同时输出阀门开闭角度相对应的电流信号。
接线说明:
●端子1接电源零线;
●电源相线与端子2接通时为“开”运行;
●电源相线与端子3接通时为“关”运行;
●“开”运行时,端子7与端子8之间的电流由4~20mA之间变大;
●“关”运行时,端子7与端子8之间的电流由20~4mA之间减小。
温馨提示:竭诚为用户提供各类产品相关问题及专业解答。无论您有任何疑问,都可在右侧提交您的问题,我们有专业人员会给您详尽细致的解答。